光電糾偏系統概述
GDJP-3型光電糾偏系統是對薄型軟物料在傳送過程中水平方向位置偏移進行控制的系統,具有自動檢測、自動跟蹤、自動調整等功能,能對紙張、薄膜、不干膠帶、鋁箔等物料的標志線或邊緣進行跟蹤糾偏,以使得卷繞、分切的整齊。GDJP-3型光電糾偏系統可用于輕工、紡織、印染、EP 刷等行業。
光電糾偏系統的組成
該光電糾偏系統由三部分組成:
- 組成一:傳感器。采用光電檢測開關檢測“線”標志或“邊”標志的偏差。
- 組成二:GDJP-3型光電糾偏儀。對采樣信號進行邏輯運算,輸出控制信號。
- 組成三:機械執行機構。由交流同步電機、絲杠、拖板等組成,完成對物料的牽引,修正物料運行時的偏差。

技術指標
- 跟蹤標志寬度
①對線工作標志線寬度> 2mm
②對邊工作邊標志側保持5mm以上同色度區 - 光電檢測開關與物料的距離12mm±2mm
- 響應時間 10ms
- 靈敏度 ±0.1mm
- 糾偏速度:15~30mm/s
- 輸出容量:由電機的輸出功率決定
- 位置失控保護
工作條件
1、工作電壓 AC220V 土 10%50Hz2、環境溫度50℃以下
3、空氣溫度在≤85%(25℃)
工作原理
GDJP-3型光電糾偏系統中,由光電檢測開關檢測邊或線的位置,以拾取邊或線位置偏差信號。再將位置偏 差信號進行邏輯運算,產生控制信號,用交流同步電機驅動機構執行機械(絲杠、拖板等),修正物料運行時的蛇型偏差,控制物料直線運動。在偏差方向上設置左、右限位開關,防止系統失控。
原理框圖如下:
GDJP-3光電糾偏儀器結構及功能
| 儀器外形尺寸 寬: 長: 高: 1、前后面板 | ![]() |
前面板上,“極性+ ”、“對線”、“自動”、“手動”分別為工作方式指標燈,指示當前的工 作方式,它們分別由“極性”、“邊線”、“自動”、“手動”按鈕控制。
“極性”按鈕用于設定電機在自動控制狀態的旋轉,使系統環路構成負反饋。
“邊線”按鈕用于設定系統在“對邊”或“對線”方式下工作。
“自動”、“手動”按鈕用于控制系統的工作狀態。
“左限位”、“右限位”指示燈用于指示二限位開關的狀態。
“正偏”、“負偏”指示燈用于指示物料的偏移狀態,二燈同時熄滅時為平衡狀態。
“左”、“右”指示燈用于指示電機的轉動方向。
“左”、“右”按鍵用于在手動狀態下控制電機的轉動。自動狀態下,二鍵無效。
2、后面板傳感器端子:

1、交流同步電機參數如下表:
1、2、3腳為光電開關1連接端子。其中,1腳:+ 15v;2腳:信號;3腳:地。
4、5、6腳為光電開關2連接端子。其中,4腳:+ 15v;5腳:信號;6腳:地。
7、8、9腳為左限位開關連接端子。其中,7腳:+ 15v ;8腳:信號;9腳:地。
當用常開或常閉開關限位開關時,連接至8、9腳,7腳懸空。
10、11、12腳為右限位開關連接端子。其中,10腳:+ 15v;11腳:信號;12腳:地。
連接方法用于左限位開關。
電機端子用于連接同步電機。
1腳:紅 2腳:黃 3腳:白 4腳:藍。
(2腳、3腳在儀器內部相接)
儀器內部跳線設置
運行前需對GDJP-3線路板上的JP2、JP3跳線設置。
用常開開關作限位開關時,GDJP-3線路板上的JP2跳線連接;用常閉開關時,JP2跳線斷開。
用雙光電開關作對邊控制時,JP3跳線連接;用單光電開關作對邊控制時,JP3跳線斷開,: 此時,電機處于正轉或反轉狀態,無平衡點。
光電檢測開關
選用Y211V-1G型標志反射式光電檢測開關,主要參數如下:
光源色:綠色
光斑直徑:巾1mm
檢測距離:12mm ± 2mm
響應時間:1ms
外型尺寸:
外型尺寸:

機械執行機構
1、交流同步電機參數如下表:
| 電機型號 | 輸入電壓 | 輸入電流 | 同步轉速 | 額定轉矩 | 移相電容 | 移相電阻 |
| 90TDY115 | AC 220V | AC 0.35A | 115r/min | 2000mN.m | 2.7 m F/400v | 680 Q /50w |
| 110TDY115 | AC 220V | AC 0.55A | 115r/min | 3200mN.m | 4 n F/400v | 450 Q/100w |
| 130TDY115 | AC 220V | AC 0.7A | 115r/min | 4200mN-m | 6 m F/400v | 360 Q/100w |
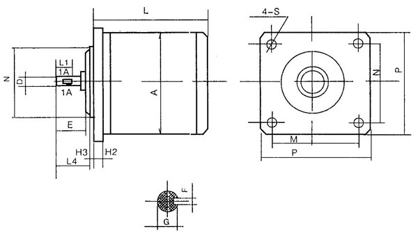
2、機械執行機構外型及安裝尺寸示意如下:
| ![]() |


外型尺寸如下:
| A | N | D | E | L4 | H2 | H3 | P | M | S | L | G | L1 |
| 90 | 70H2 | 9F | 22 | 24 | 10 | 4 | 94 | 76 | 6.6 | 102 | 8 | 16 |
操作方法
1、開啟電源,將控制儀設定在“手動”狀態。2、設定系統的“邊”、“線”狀態e
3、用“左”、“右”按鍵調整物料位置,使“線”標志或“邊”標志處于光電檢測天關下方。
4、調整光電檢測開關位置
①當系統“對線”工作時,調整光電檢測開關,使光斑位置處于標志線兩邊緣,如圖U 若標志線較寬時,亦可按圖2所示調整光斑。
②當系統用雙光電開關作“對邊”工作時,使光斑處于分界線的兩邊緣,如圖3。

③當系統用單光電開關作“對邊”工作時,使光斑處于分界線上。光電開關連接于后面板 上傳感器端子的1、2、3腳。
④調整光電檢測開關與物料的垂直距離,使光斑清晰。
5、調整光電檢測的敏感度調整旋鈕,使光電檢測開關對淺色和深色能有不同狀態的信號輸出。
6、用“左”、“右”按鍵調整物料的位置,使其稍偏移平衡狀態,然后,設定系統工作于 “自動”狀態,若物料能回到平衡,說明系統的“極性”設定正確。否則,按“極性”鈕,改 變當前的“極性”。 '
7、設定系統工作在“自動”狀態,開啟卷繞或分切設備,系統開始運行。
2、本系統的糾偏精度主要決定于光斑位置的調整。應先調整其中一個讓光斑位置處于使該光電檢測開關狀態翻轉的臨界位置。然后再調整另一個。
3、對于“對線”工作方式,平衡時,兩光電檢測開關輸出信號相同;對于“對邊”工作 方式,平衡時,兩光電檢測開關輸出信號相反。
4、當“限位”開關動作時,同步電機停止轉動,蜂鳴器報警。需在“手動”狀態調整物 料位置平衡點。左限位開關動作時,只能用“右”鍵調整物料位置。右限位開關動作時,只能 用“左”鍵調整物料位置。二限位開關有方向之分。
5、自動卷繞、分切時,若有意外情況要停止運行,只需按“手動”鈕,進入“手動”狀 態,不一定要關電源。
6、在“對邊”狀態,若物料為白色,請用黑色檢測輥。以形成明顯的色差。
7、當物料參差不齊較嚴重時,宜降低物料運行速度。
④調整光電檢測開關與物料的垂直距離,使光斑清晰。
5、調整光電檢測的敏感度調整旋鈕,使光電檢測開關對淺色和深色能有不同狀態的信號輸出。
6、用“左”、“右”按鍵調整物料的位置,使其稍偏移平衡狀態,然后,設定系統工作于 “自動”狀態,若物料能回到平衡,說明系統的“極性”設定正確。否則,按“極性”鈕,改 變當前的“極性”。 '
7、設定系統工作在“自動”狀態,開啟卷繞或分切設備,系統開始運行。
注意事項
1、將光電檢測開關安裝于檢測輥上方,使光線照射于物料振動zui小處,入射光線與檢測輥的切線垂直。2、本系統的糾偏精度主要決定于光斑位置的調整。應先調整其中一個讓光斑位置處于使該光電檢測開關狀態翻轉的臨界位置。然后再調整另一個。
3、對于“對線”工作方式,平衡時,兩光電檢測開關輸出信號相同;對于“對邊”工作 方式,平衡時,兩光電檢測開關輸出信號相反。
4、當“限位”開關動作時,同步電機停止轉動,蜂鳴器報警。需在“手動”狀態調整物 料位置平衡點。左限位開關動作時,只能用“右”鍵調整物料位置。右限位開關動作時,只能 用“左”鍵調整物料位置。二限位開關有方向之分。
5、自動卷繞、分切時,若有意外情況要停止運行,只需按“手動”鈕,進入“手動”狀 態,不一定要關電源。
6、在“對邊”狀態,若物料為白色,請用黑色檢測輥。以形成明顯的色差。
7、當物料參差不齊較嚴重時,宜降低物料運行速度。

